
车载逆变器(电源转换器、Power Inverter)是一种能够将 DC12V直流电转换为和市电相同的 AC220V交流电,供一般电器使用,是一种方便的车用电源转换器。车载电源逆变器在国外市场受到普遍欢迎。在国外因汽车的普及率较高,外出工作或外出旅游即可用逆变器连接蓄电池带动电器及各种工具工作。
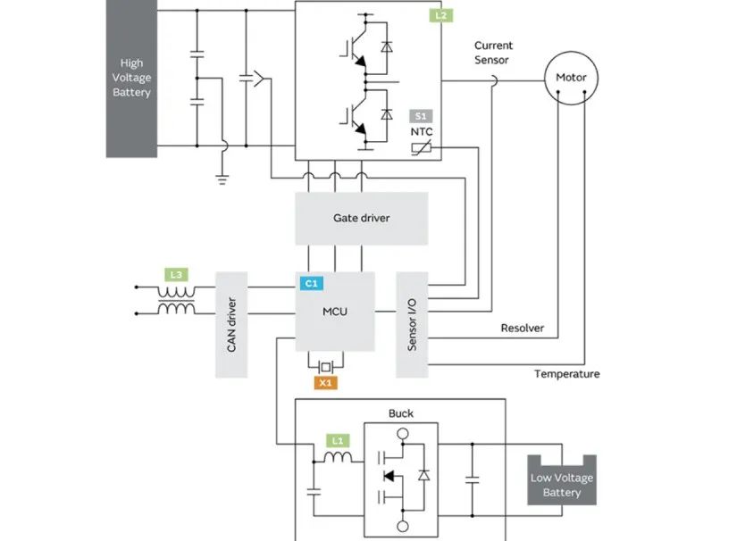
在智能汽车中,核心电池组件是直流电,而当汽车发动时,动力供给系统驱动电机所需要的是三相交流电。因此在汽车上需要有一个设备来完成电流的逆变过程,将动力电池端的直流电转换成电机输入侧的交流电,车载逆变器就担当了这样的重任。

对于疫情当下越来越多长时间在车上的司机而言,有时候想使用一些电器却局限于车上没有电源而放弃使用,一下少了许多生活乐趣。其实很多电器完全可以借助车载逆变器来实现,将车载电流24V直流电通过逆变器转换为220V交流电,就可以像在家里一样,直接使用电脑、冰箱、电饭煲、微波炉、烧水壶等电器,出行时在车上打火锅想一想就很开心。
01
正弦波逆变器
正弦波逆变器输出的是同我们日常使用的电网一样甚至更好的正弦波交流电,不存在电网中的电磁污染。简单来说就是运用范围广,负载能力强,稳定性出色。能提供与平常家用相同的交流电。在满足功率的情况下,几乎能够带动任何种类的电器。 但由于制造成本与技术要求均高,导致最纯正的正弦波逆变器市场售价偏贵,与大众消费产生了一定差距,没有被普及起来。

车载逆变器产品图
02
修正波逆变器
针对以上缺点,修正波逆变器应势而生,它的出现解决了方波逆变器负载能力差,以及正弦波逆变器售价昂贵的问题。其输出波形从正向最大值到负向最大值之间有一个时间间隔,使用效果有所改善。但修正波严格上来讲,仍属于方波范畴,各方面与正弦波存在一定差距。
修正波逆变器已经能够满足绝大部分电器用电需求。凭借其不错的负载能力以及较低的售价,已成为目前应用最广的产品,同时也是现在市场最常见的逆变器。
电感元器件选型推荐
随着智能汽车行业的快速发展,对电感的工艺要求越来越高。岑科推出的一体成型电感、磁胶电感、磁环电感、PFC电感、变压器、共模电感等产品,可以完全满足智能汽车行业的车载逆变器性能要求.

电感产品应用整体方案图

MCU主芯片
MCU主芯片控制电机,有传感器输入输出,温度检测,电流检测,检测输出端与电机工作电流的大小是否合适,通过它来调节变压器的工作,检测电机的工作的情况.上下级之间要进行通讯要经过车载的网关,可以理解为车载通讯的大佬-Gate Driver,它决定谁给电机供电,里面有协议,类似于通讯信号的翻译官,信号之间要靠网关来进行翻译,MCU对外有一个CAN Driver检测MCU对外界通讯的接口,图示L3处所用到共模电感进行滤波,通信信号传输需要用到共模电感,贴片电感等.
共模电感
应用模块:EMC模块

磁环电感
应用模块:EMC模块

电感元器件选型推荐

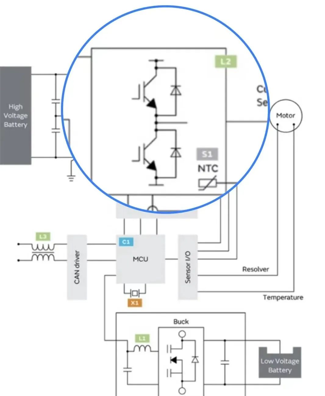
整流桥电路图
桥式整流:“桥式整流即桥式整流器(英文 BRIDGE RECTIFIERS),也叫做整流桥堆,是利用二极管的单向导通性进行整流的最常用的电路,常用来将交流电转变为直流电。”此处这里有变压器,正常情况下车载都是600v,把600v转为和市电相同的 AC220V交流电使用.图示L2处所用到的电感为定制品PFC电感、变压器等.
PFC电感
应用模块:PFC模块

变压器
应用模块:电压转换模块

电感元器件选型推荐

开关电源
开关电源给MCU供电,MCU主芯片电压在3-5V比较低,所以通过开关电源进行降压供电,电路图示L1处涉及应用到的电感有一体成型电感、磁胶电感等等.
一体成型电感
应用模块:电源管理


磁胶电感
应用模块:电源管理


